
- 產品簡介
- 產品性能
- 應用范圍
R3G500-RA25-01 ebmpapst 變頻器風扇 離心風機價格
類型 離心風扇
品牌    ebmpapst
型號    R3G500-RA25-01
電機功率  2680(w)
電壓    400(V)
電流    4.18(A)
適用范圍  -25~60℃
風葉直徑  500mm
轉速    1700(r/min)
德國ebmpapst R3G500-RA25-01離心風機實拍圖



風機配件選擇:

????北京恒瑞宏晟機電設備有限公司經營離心風機、軸流風扇、貫流風扇、變頻器風扇數十年,產品匯聚世界風機風扇品牌,長期供應德國ebmpapst(依必安派特)風機,型號齊全,大量現貨,全新原裝,歡迎垂詢!
德國ebmpapst R3G500-RA25-01 變頻器風扇
類型    離心風扇
品牌    ebmpapst
型號    R3G500-RA25-01
電機功率  2680(w)
電壓    400(V)
電流    4.18(A)
適用范圍  -25~60℃
風葉直徑  500mm
轉速    1700(r/min)
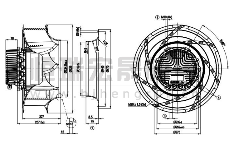
德國ebmpapst R3G500-RA25-01風機結構圖

德國ebmpapst R3G500-RA25-01風機曲線圖

北京恒瑞宏晟機電設備有限公司經營離心風機、軸流風扇、貫流風扇、變頻器風扇數十年,產品匯聚世界風機風扇品牌,長期供應德國ebmpapst(依必安派特)風機,型號齊全,大量現貨。
ebmpapst 機柜 變頻器風機 R3G500-RA25-01 冷卻風扇
變頻器底部的大風扇是用來給變頻器的IGBT等大功率原件散熱的,小風扇是用來給CPU板、驅動板、電源板等電子部分散熱。
Ebmpapst離心風機具有極低的噪音水平和高功率密度,它們可以滿足狹小空間及大風量的需求,葉輪是根據空氣動力學和幾何要求設計的。為了獲得更佳效率,除了電壓控制的異步電動機外,還使用了高性能的Green Tech EC電動機。兩種驅動器類型均可在整個功率范圍內使用。

風機問題在線解答:
1、怎樣選擇變頻器風機?
2、怎樣延長變頻器風機使用壽命?
3、變頻器風機工作原理?
更多風機技術問題請聯(lián)系客服?
其他熱門型號推薦:
7114NHR-VAR147
D2D146-AA02-22
D2D146-AA28-28
D2D160-BE02-11
D2D160-BE02-12
D2D160-BE02-14
D2D160-CE02-11
D2D160-CE02-12
D2E146-AP47-79
D2E146-AP47-C3
D2E160-AA05-08
D2E160-AH02-15
D2E146-AP47-B8
北京恒瑞宏晟機電設備有限公司專業(yè)提供變頻器、軌道交通、空氣凈化、新能源汽車等領域的通風散熱制冷配件,風機型號齊全,全新原裝,現貨庫存,期待您咨詢采購!









